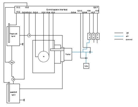
Vacuum pump test:
Test process
0. fix vacuum pump, and check all medium status, check the torque
1. measure pressure in the extra 1,5L chamber
2. measure pressure without extra chamber
3. evaluate the pressure (final result & curve)
Test environment
Drive : Servo motor with adaptor(2.2kw, 2800rpm)
Medium: oil 10W40 (filter, temperature )
Test parameter structure
Test parameter
● Max. Speed :2000rpm
● Torque:0.5 NM @ 40RPM
● Oil Temp.: RT to 100C
● Max Air Pressure:200Kpa
● Max Suction Pressure: -90Kpa


中文
English



QQ Customer service 1