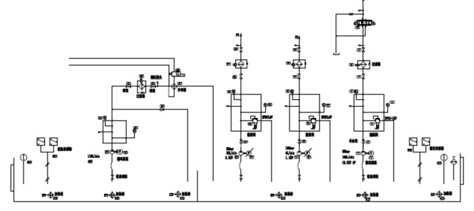
Generic Solenoid Valve/Block Life Test Bench
Author:admin Views:166 Source:本站 Time:2022-12-24 16:19:05
Abstract:
Generic Solenoid Valve/Block Life Test Bench●Generic lifetest bench for valve and valve block●2 individual testing unit●Quick changeover for test fixture●Temp. Range RT to 150ºC Continuous●Pressure Range:: 1~80 BAR●Temp. Control Accurancy
Generic Solenoid Valve/Block Life Test Bench
● Generic lifetest bench for valve and valve block
● 2 individual testing unit
● Quick changeover for test fixture
● Temp. Range RT to 150ºC Continuous
● Pressure Range:: 1~80 BAR
● Temp. Control Accurancy: ± 2ºC
● Pressure Control Accurancy: ± 0.2 Bar
● Flow Control Accurancy: ± 0.2 LPM

