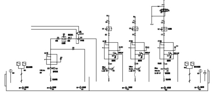
变速箱系统–通用电磁阀/阀板耐久测试台:Generic Solenoid Valve/Block Life Test Bench
通用电磁阀/阀板耐久测试台
● Generic lifetest bench for valve and valve block 通用型电磁阀及阀板耐久测试台
● 2 individual testing unit 包含2个独立的测试单元
● Quick changeover for test fixture测试工装快速换型
● Temp. Range RT to 150ºC Continuous 工作温度从室温到150ºC无极可调
● Pressure Range:: 1~80 BAR
● Temp. Control Accurancy: ± 2ºC
● Pressure Control Accurancy: ± 0.2 Bar
● Flow Control Accurancy: ± 0.2 LPM


中文
English



客服1