真空泵测试
Vacuum pump test:
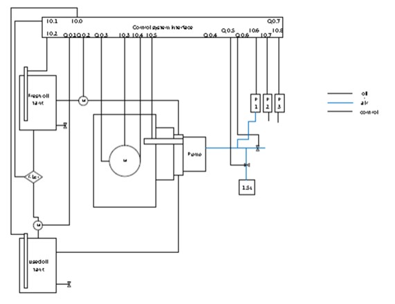
Test process
0. fix vacuum pump, and check all medium status, check the torque
1. measure pressure in the extra 1,5L chamber
2. measure pressure without extra chamber
3. evaluate the pressure (final result & curve)
Test environment
Drive : Servo motor with adaptor(2.2kw, 2800rpm)
Medium: oil 10W40 (filter, temperature )
Test parameter structure
Test parameter 主要参数:
● Max. Speed 最大转速:2000rpm
● Torque 扭矩:0.5 NM @ 40RPM
● Oil Temp. 温度范围: RT to 100C
● Max Air Pressure 最大气压:200Kpa
● Max Suction Pressure 最大负压: -90Kpa


中文
English



客服1